Известняковые текстуры являются хемогенными образованиями, состоящими из минералов, таких как кальцит или доломит. Эти текстуры отличаются характерными осадочными структурами, которые формировались в результате осаждения и кристаллизации воды с высоким содержанием карбоната кальция или магния. Известняковые текстуры часто имеют рельефные формы, такие как карстовые ямы, пещеры и усыпи. Встречаются они повсеместно на Земле и играют важную роль в геологическом процессе формирования ландшафта.
Коралловый известняк структура
Хемогенный известняк
Капрогенные известняки
Пемза минерал
Известняк ракушняковый
Хемогенные Доломиты
Хемогенный известняк
Мраморовидный известняк
Известняк Горная порода
Брекчиевидная текстура
Мергель камень
Хемогенные горные породы
Известняк Доломит мергель
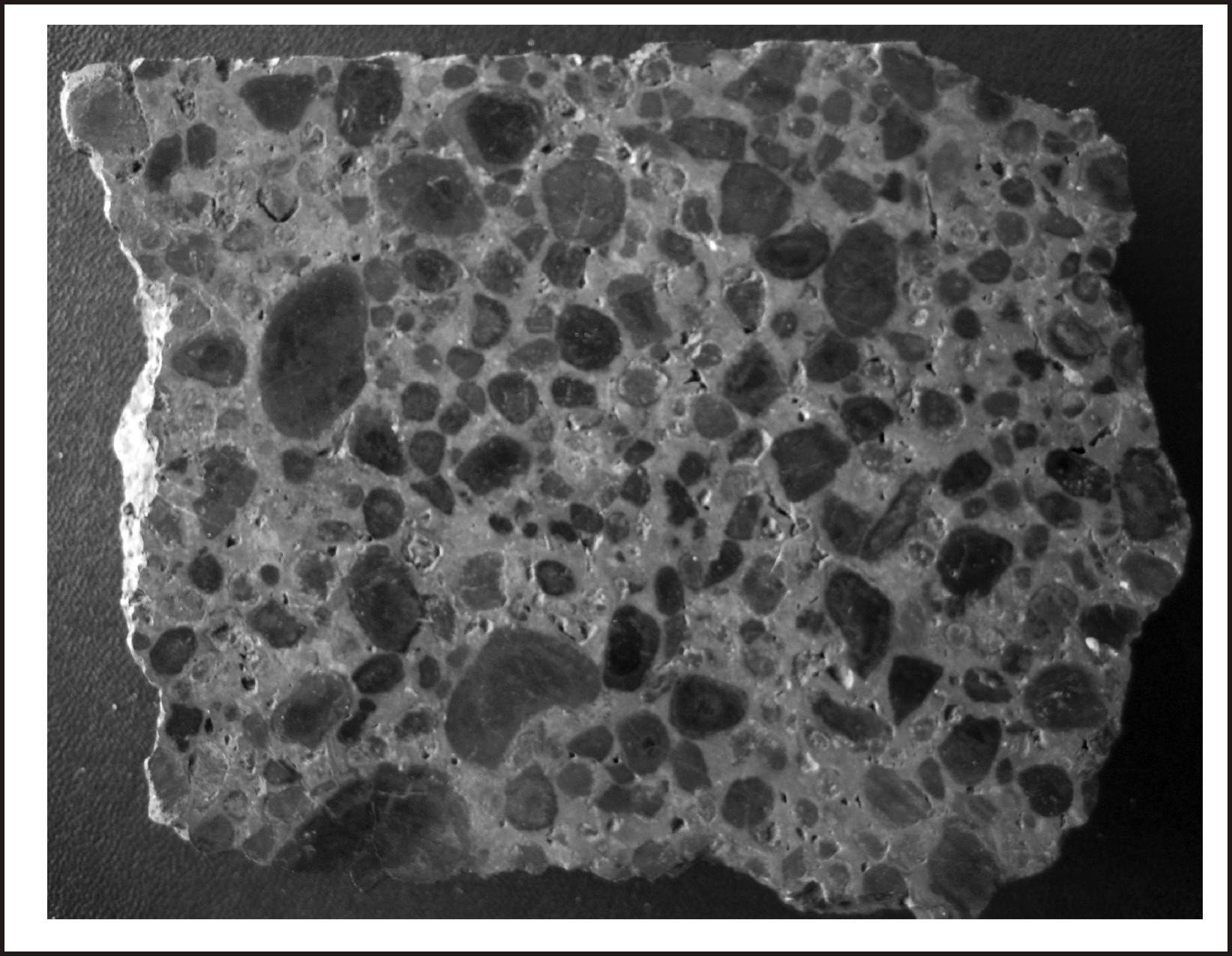
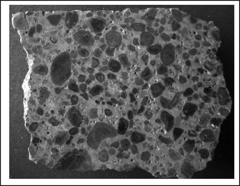
Оолитовый известняк
Известняк ракушечник Горная порода
Оолитовый известняк
Известняк ракушечник Горная порода
Кикеринский известняк
Нуммулитовый известняк
Мшанковый известняк в Крыму
Известняк ракушняковый
Доломит осадочная Горная порода
