Колломорфные текстуры - это уникальное сочетание элементов и структур в дизайне, которые создают эффект глубины и объемности. Эти текстуры обладают особым характером и могут быть использованы для придания интерьеру или предметам оригинальности и утонченности. Благодаря своей универсальности и эстетичности, колломорфные текстуры пользуются популярностью в дизайне как среди профессионалов, так и среди любителей красоты и стиля.
колломорфная
Структуры и текстуры руд
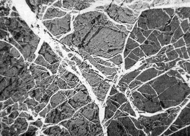
Колломорфная структура руд
Структуры руд
Колломорфная структура горных пород
Колломорфная структура руд
Структуры и текстуры руд
Прожилковая текстура руд
Сидеронитовая структура руд
Крустификационная текстура
Колломорфная структура горных пород
Колломорфная структура руд
Структура руды
Гранобластовая структура метаморфических пород
Колломорфная структура руд
Текстуры руд
Полосчатая текстура руд
Колломорфная структура руд
Структуры и текстуры руд
Прожилковая структура руд
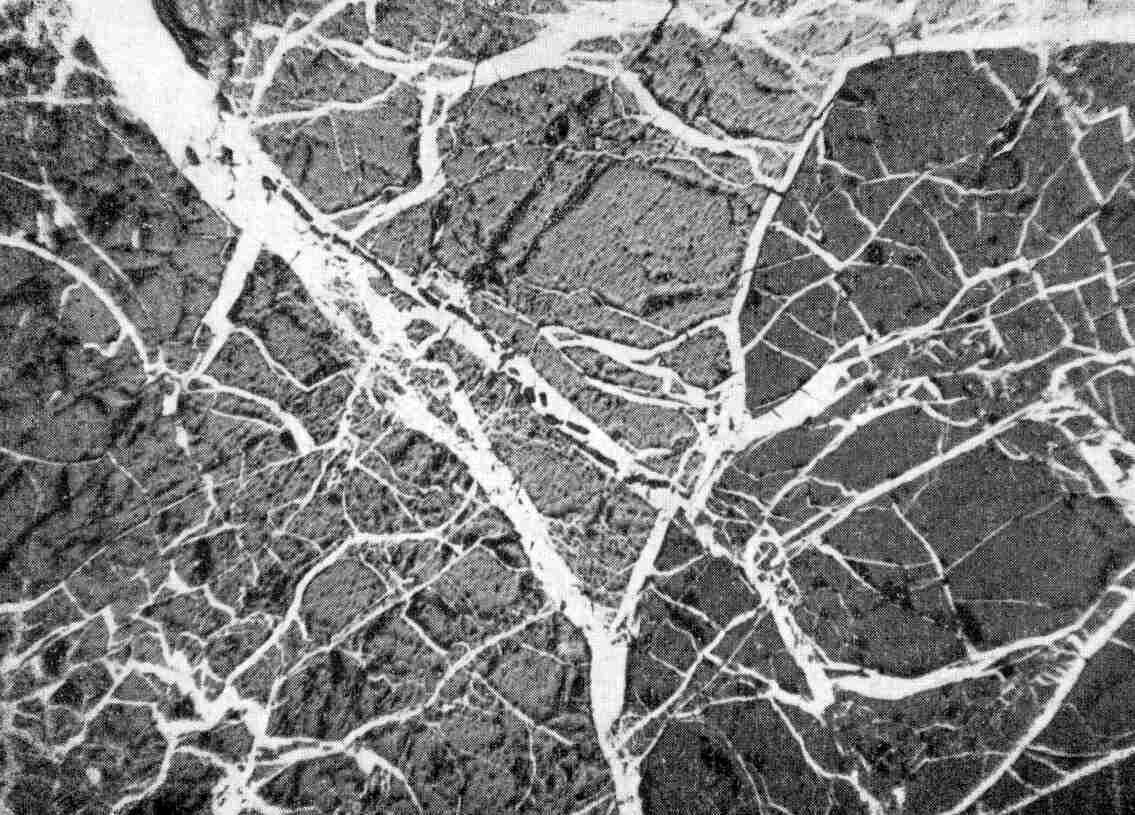
Колломорфная структура в шлифе
Структуры руд
Прожилковая структура руд
Колломорфная структура горных пород
Колломорфная структура руд
